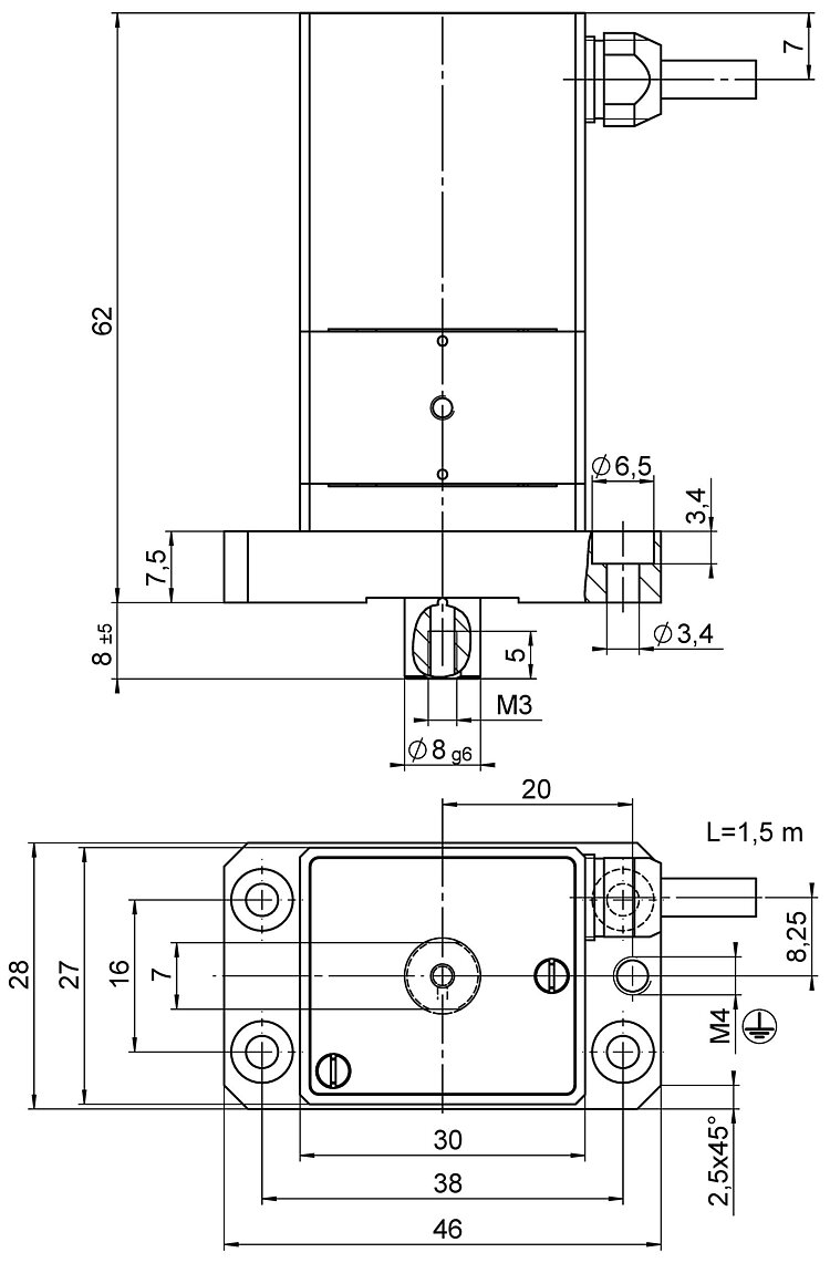
NEXLINE® OEM linear actuator; NEXLINE® piezo walking drive; 10 mm travel range; 50 N feed force; 1.5 m cable length
N-111 NEXLINE® OEM Linear Actuator
Nanopositioning Over Long Travel Ranges, PiezoWalk® Principle
- Travel range 10 mm
- Integrated direct-measuring linear encoder with resolution 5 nm
- Force generation to 50 N
- Holding force to 70 N
Application fields
- Industrial precision positioning
- Semiconductor technology
- Semiconductor tests
- Wafer inspection
- Lithography
- Nanoimprinting
- Nanometrology
- Motion in strong magnetic fields and in a vacuum
Nanometer precision and high feed force with PiezoWalk® walking drives
Several piezo actuators perform a walking motion in the PiezoWalk® walking drive that leads to forward feed of a runner. Control of the actuators allows the smallest step and forward feed motion at a resolution of well under one nanometer.
Highly accurate position measuring with incremental linear encoder
Noncontact optical encoders measure the position directly at the platform with the greatest accuracy. Nonlinearity, mechanical play or elastic deformation have no influence on the measurement.
Suitable for sophisticated vacuum applications
Piezo motors from PI can be designed for use in a vacuum and are suitable for operating in strong magnetic fields. Special versions of the drives are available for this purpose. Piezo walking drives can also be used in cleanrooms or in environments with strong ultraviolet radiation.
Specifications
Specifications
| Motion | N-111.201 | N-111.2A1 | Tolerance |
|---|---|---|---|
| Active axes | X | X | |
| Travel range in X | 10 mm | 10 mm | |
| Travel range in X (analog mode) | ± 2 µm | ± 2 µm | |
| Velocity (10 % duty cycle, full-step mode) | 1 mm/s | 1 mm/s | max. |
| Velocity (100 % duty cycle, full-step mode) | 0.6 mm/s | 0.6 mm/s | max. |
| Velocity (100 % duty cycle, nanostepping mode) | 0.4 mm/s | 0.4 mm/s | max. |
| Positioning | N-111.201 | N-111.2A1 | Tolerance |
| Reference switch | — | Optical, direction sensing (reference edge track), 5 V, TTL | |
| Resolution in X, open loop | 0.025 nm | 0.025 nm | typ. |
| Integrated sensor | — | Incremental linear encoder | |
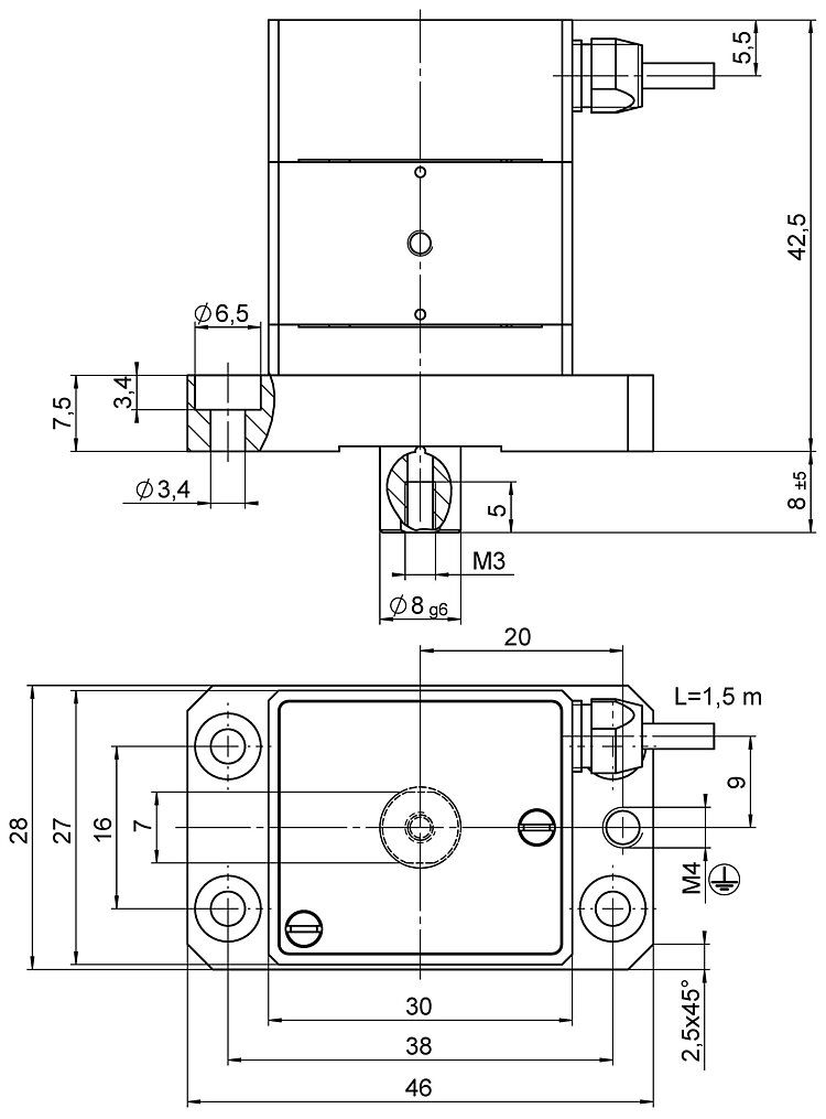
| System resolution in X | — | 5 nm | |
| Drive properties | N-111.201 | N-111.2A1 | Tolerance |
| Drive type | NEXLINE® piezo walking drive | NEXLINE® piezo walking drive | |
| Operating voltage | -250 to +250 V | -250 to +250 V | |
| Drive force in X | 50 N | 50 N | max. |
| Mechanical properties | N-111.201 | N-111.2A1 | Tolerance |
| Holding force in X, passive | 70 N | 70 N | min. |
| Overall mass | 245 g | 325 g | |
| Material | Aluminum, stainless steel, titanium | Aluminum, stainless steel, titanium | |
| Miscellaneous | N-111.201 | N-111.2A1 | Tolerance |
| Operating temperature range | 0 to 55 °C | 0 to 55 °C | |
| Connector | D-sub 25 (m) | D-sub 25 (m) | |
| Cable length | 1.5 m | 1.5 m | +50 mm / -0 mm |
| Recommended controllers/drivers | E-713 | E-713 |
Velocity in full-step mode Depending on drive electronics.
Velocity in nanostepping mode: Depending on drive electronics. The maximum velocity in nanostepping mode is designed for the best possible constancy so that no velocity variations occur when executing the steps.
Drive force: Data refer to operation in full step mode.
At PI, technical data is specified at 22 ±3 °C. Unless otherwise stated, the values are for unloaded conditions. Some properties are interdependent. The designation "typ." indicates a statistical average for a property; it does not indicate a guaranteed value for every product supplied. During the final inspection of a product, only selected properties are analyzed, not all. Please note that some product characteristics may deteriorate with increasing operating time.
Downloads
Datasheet
Documentation
User Manual MP142
N-111.201 and N-111.2A1 NEXLINE® OEM Piezo Stepping Actuators
3D Models
N-111 3-D model
Ask for a free quote on quantities required, prices, and lead times or describe your desired modification.
NEXLINE® OEM linear actuator; NEXLINE® piezo walking drive; 10 mm travel range; 50 N feed force; incremental linear encoder; 1.5 m cable length
How to Get a Quote

Ask an engineer!
Quickly receive an answer to your question by email or phone from a local PI sales engineer.
Technology

PiezoWalk® Walking Drives
PiezoWalk® drives were developed more than 10 years ago for the semiconductor industry, a demanding industry when it comes to reliability, position resolution and long-term stability.

Vacuum
Careful handling, adequate premises: PI does not only have the necessary equipment for the qualification of materials, components and final products, but also has many years of experience with regard to HV und UHV positioning systems.

Incremental Sensors
PI uses incremental measurement systems for longer travel ranges, starting from approximately one millimeter. These sensors, which in most cases are optical sensors, achieve position resolution down to the picometer range.

Hexapods and SpaceFAB
Hexapods are systems for moving and positioning loads in six degrees of freedom, in three translational and three rotational axes.













