PILine® linear stage; PILine® piezo motor, performance class 1; 18 mm travel range; 2 N load capacity; 200 mm/s maximum velocity; incremental linear encoder, 400 nm sensor resolution; 1.5 m cable length
U-521 PILine® Linear Stage
Compact Linear Stage with Ultrasonic Piezo Motor
- Positions small loads quickly and with precision: Velocity to 200 mm/s, minimum incremental motion to 0.3 µm
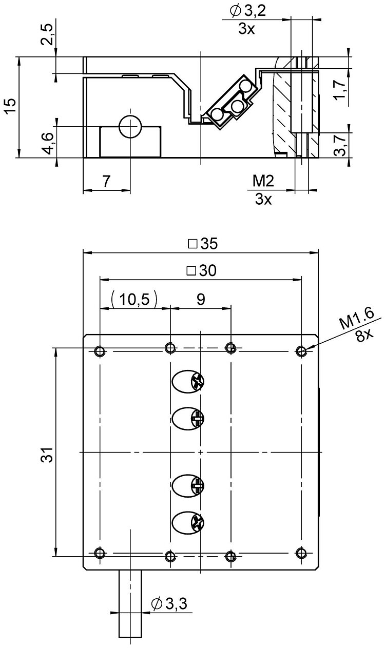
- Space-saving: Only 35 mm in width and 15 mm in height
- Self-locking when switched off: Saves energy and reduces generation of heat
- Silent
- Customized versions on request
Precision-class linear positioning stage
PILine® stages are particularly suitable for applications that require fast precision positioning. When switched off, the self-locking drive holds the position of the stage mechanically stable. Energy consumption and heat generation are therefore considerably reduced. Applications with a low duty cycle that are battery-powered or heat-sensitive benefit from these characteristics. The position of the axis is measured by an encoder and an optical reference switch allows reliable repeatable motion. The piezomotor drive principle and its electrical operation are inexpensive and can be customized.
PILine® ultrasonic piezomotor
An integral part of a PILine® ultrasonic piezomotor is a piezo actuator that is preloaded against a movable, guided runner via a coupling element. The piezoceramic actuator is excited to ultrasonic oscillation by a high-frequency AC voltage between 100 and 200 kHz. Deformation of the actuator leads to periodic diagonal motion of the coupling element relative to the runner. The feed created is a few nanometers per cycle; the high frequencies lead to the high velocities. Preloading the piezoceramic actuator against the runner ensures self-locking of the drive when at rest and switched off.
Highly accurate position measuring with incremental linear encoder
Noncontact optical encoders measure the position directly at the platform with the greatest accuracy. Nonlinearity, mechanical play or elastic deformation have no influence on the measurement.
Application fields
Micromanipulation, automation, biotechnology, sample manipulation, sample positioning, applications with limited space, vacuum applications to 10-6 hPa (optional).
Specifications
Specifications
| Motion | U-521.23 | U-521.23V | U-521.24 | Tolerance |
|---|---|---|---|---|
| Active axes | X | X | X | |
| Travel range in X | 18 mm | 18 mm | 18 mm | |
| Maximum velocity in X | 200 mm/s | 200 mm/s | 200 mm/s | |
| Linearity error | 8 µm | 8 µm | 4 µm | |
| Pitch (Rotational crosstalk in θY with motion in X) | ± 300 µrad | ± 300 µrad | ± 300 µrad | typ. |
| Yaw (Rotational crosstalk in θZ with motion in X) | ± 300 µrad | ± 300 µrad | ± 300 µrad | typ. |
| Positioning | U-521.23 | U-521.23V | U-521.24 | Tolerance |
| Minimum incremental motion in X | 2 µm | 2 µm | 0.3 µm | typ. |
| Bidirectional repeatability in X | 4 µm | 4 µm | 0.4 µm | typ. |
| Reference switch | Optical | Optical | Optical | |
| Integrated sensor | Incremental linear encoder | Incremental linear encoder | Incremental linear encoder | |
| System resolution in X | 400 nm | 400 nm | 100 nm | |
| Sensor resolution | 400 nm | 400 nm | 100 nm | |
| Drive Properties | U-521.23 | U-521.23V | U-521.24 | Tolerance |
| Drive type | PILine® piezo motor, performance class 1 | PILine® piezo motor, performance class 1 | PILine® piezo motor, performance class 1 | |
| Drive force in X | 2 N | 2 N | 2 N | typ. |
| Mechanical Properties | U-521.23 | U-521.23V | U-521.24 | Tolerance |
| Permissible push force in Z | 2 N | 2 N | 2 N | max. |
| Permissible pull force in Z | 2 N | 2 N | 2 N | max. |
| Holding force in X, passive | 2 N | 2 N | 2 N | min. |
| Guide | Ball guide | Ball guide | Ball guide | |
| Overall mass | 160 g | 160 g | 160 g | |
| Mass without cable | 40 g | 40 g | 40 g | |
| Material | Aluminum, anodized | Aluminum, uncoated | Aluminum, anodized | |
| Miscellaneous | U-521.23 | U-521.23V | U-521.24 | Tolerance |
| Operating temperature range | 0 to 40 °C | 0 to 40 °C | 0 to 40 °C | |
| Connector | D-sub 15-pin (m) | D-sub 15-pin (m) | D-sub 15-pin (m) | |
| Cable length | 1.5 m | 1 m | 1.5 m | |
| Recommended controllers / drivers | C-867.1U, C-877.1U11, C-867.10C885, C-867.2U2 | C-867.1U, C-877.1U11, C-867.10C885, C-867.2U2 | C-867.1U, C-877.1U11, C-867.10C885, C-867.2U2 | |
| Vacuum class | 10⁻⁶ hPa |
Linearity error: Over the entire travel range.
Cable length:
Tolerance with cable length 1.5 m: +200 mm / -0 mm
Tolerance with cable length 1.0 m: +50 mm / -0 mm
Specifications determined with the C-867.1U controller.
Downloads
Datasheet
Documentation
User Manual MP138
U-521 Linear Positioning Stage
3D Models
U-521 3-D model
Quote / Order
Ask for a free quote on quantities required, prices, and lead times or describe your desired modification.
PILine® linear stage; PILine® piezo motor, performance class 1; 18 mm travel range; 2 N load capacity; 200 mm/s maximum velocity; incremental linear encoder, 400 nm sensor resolution; vacuum-compatible to 10⁻⁶ hPa; 1 m cable length
PILine® linear stage; PILine® piezo motor, performance class 1; 18 mm travel range; 2 N load capacity; 200 mm/s maximum velocity; incremental linear encoder, 100 nm sensor resolution; 1.5 m cable length





















