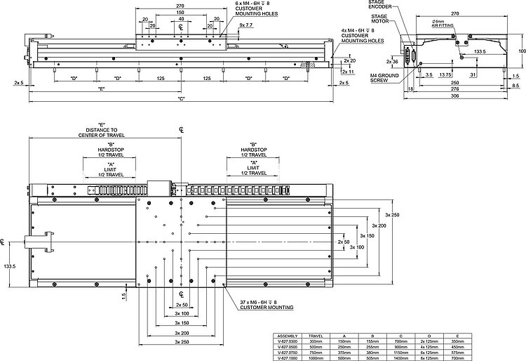
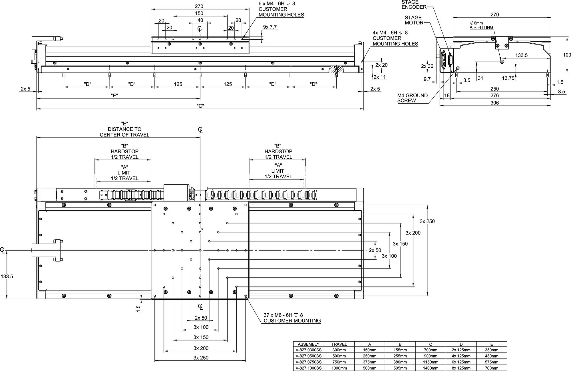
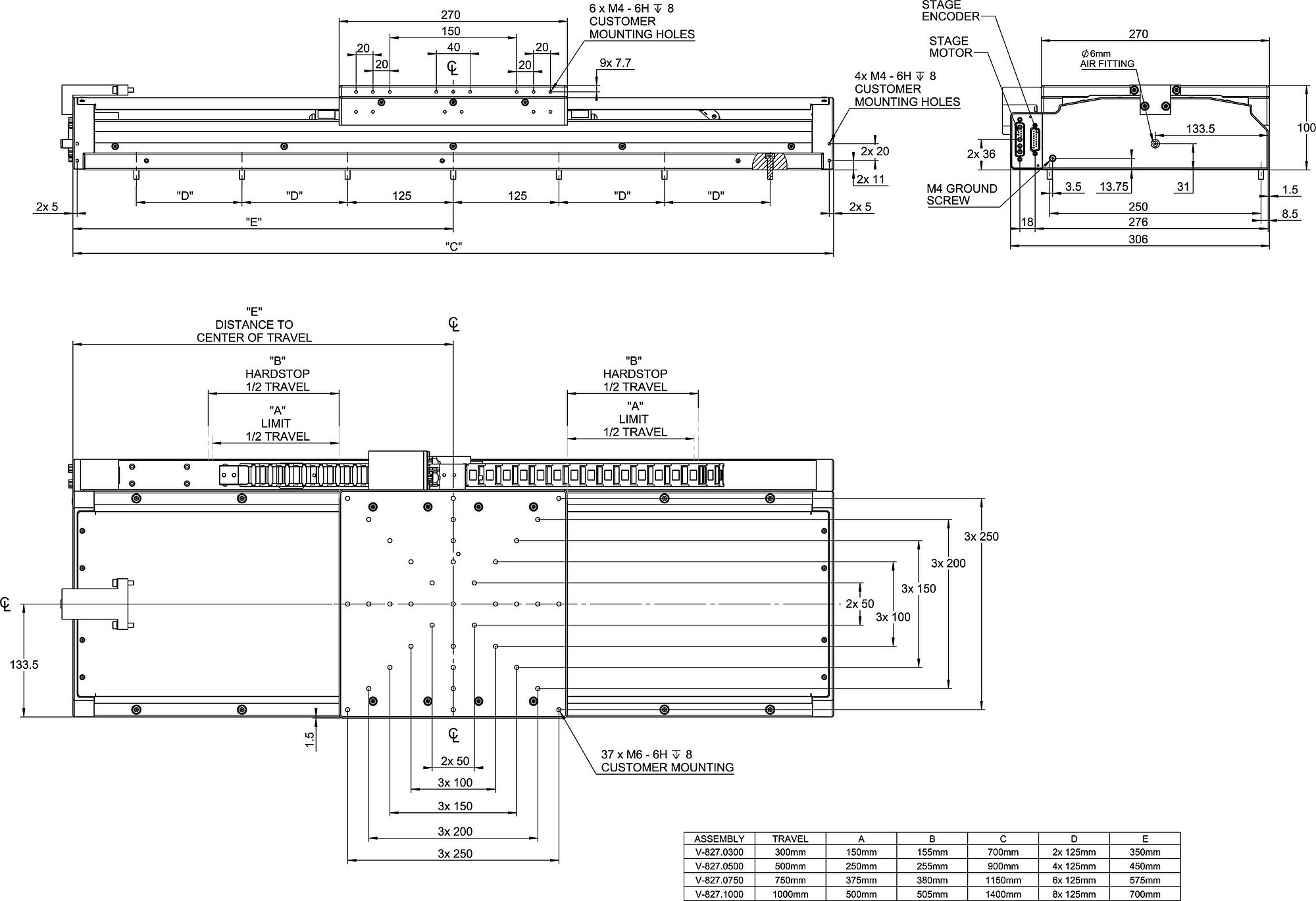
High-load precision linear stage with direct drive; ironless 3-phase linear motor; 300 mm travel range; 150 kg load capacity; 2000 mm/s maximum velocity; incremental linear encoder, 1 nm sensor resolution, sin/cos, 1 V peak-peak; size of motion platform: 270 × 270 mm
V-827 High-Load Precision Linear Stage with Direct Drive
Wide Base Body for High Stability. Ideal for Scanning and Measuring Applications, Machining, Image Processing, and Alignment
- Travel ranges of 300, 500, 750, and 1000 mm
- Direct drive for high dynamics and performance
- Recirculating ball bearings for excellent flatness and straightness
- Sin/cos or absolute encoder for maximum precision and accuracy
Product overview
V-827 direct drive linear stages are designed for high load, high throughput applications that also require long life, and high reliability.
V-827 direct drive stages offer superior straightness and flatness compared to similar motorized linear stages on the market. With a powerful, non-cogging, direct drive motor, the V-827 performs well in production environments.
The models with absolute encoder offer a resolution of 1 nm as well as a safe and efficient start that requires no initialization or referencing. The ultra-precision recirculating ball bearings are intended to be maintenance-free for the life of the stage.
Debris protection
The V-827 linear stage is equipped with side seals for protection from debris, making it ideal for laser processing and similar applications. The V-827 is designed for XY mounting and can be configured accordingly at the factory.
Three-phase motors for higher dynamics and friction-free, maintenance-free operation
The three-phase linear motors of the V-827 linear stage family transmit the drive force directly to the motion platform without friction. This eliminates backlash and mechanical play that can result from mechanical components like gears and leadscrews in the drivetrain. These motors, which are ideal for high-velocity and high-acceleration applications, feature a friction-free and maintenance-free design that ensures a long service life in demanding 24/7 operation. Using the controller settings for current limitation, the motor can be easily disabled to prevent potential damage to the stage or application.
Recirculating ball bearings for industrial and automation applications
Recirculating ball bearings are well established in industrial automation environments and are known for their load capacity, reliability, and robustness. They provide a high level of smoothness, straightness, and flatness. The high load capacity of 150 kg guarantees long bearing lifetime.
Models with incremental or absolute encoder
V-827 direct drive stages are equipped with linear encoders that measure positions with maximum accuracy directly on the motion platform. Compared to indirect measuring methods, this improves linearity and ensures insensitivity to mechanical play and elastic deformation. Incremental encoders require a home signal to initiate. In contrast, absolute-measuring encoders provide explicit position information, enabling immediate determination of the position. This eliminates the need for referencing during switch-on, enhancing both efficiency and safety during operation.
Selection of the right precision linear stage and controller
Selecting the right linear stage is pivotal for optimal performance in high-precision positioning, motion and automation applications. Factors such as resolution, load capacity, guiding accuracy, and repeatability must be considered. The V-827 linear stage family offers particularly high geometric accuracy (flatness, straightness, pitch, and yaw) as well as very good bidirectional repeatability (150 nm) in a compact housing. With their highly dynamic properties, featuring 1 G acceleration and 2 m/s velocity, these precise motorized stages are ideal for the automation of highly accurate positioning tasks required for laser processing, inspection, and mass production of precision devices.
In combination with PI's A-8xx series motion controllers, these stages achieve unparalleled motion performance. The EtherCAT®-based A-8xx controllers offer a high degree of flexibility and facilitate the seamless integration of EtherCAT®-compatible devices from other manufacturers. Advanced algorithms in the A-8xx series motion controllers such as PILOT, enable higher dynamics with reduced motor currents and thus effectively increase the motor’s force constant.
Options and accessories
- Incremental encoder sin/cos, 1 Vpp or absolute encoder with BiSS output
- Multi-axis assemblies and cable management optionally available
- Single or multi-axis ACS-based controllers and servo drives, integrated or distributed
- Cables compatible with the A-8xx series of ACS-powered controllers
Application fields
Laser machining or ablation. Laser micromachining, patterning. Laser glass cutting. Pick and place. Automated precision assembly. X-ray inspection or AOI (automated optical inspection). Tomography. Wafer dicing. Measuring technology. General automation.
Specifications
Specifications
| Motion | V-827.0300A1 | V-827.0300A1SS | V-827.0300B1 | V-827.0300B1SS | V-827.0500A1 | V-827.0500A1SS | V-827.0500B1 | V-827.0500B1SS | V-827.0750A1 | V-827.0750A1SS | V-827.0750B1 | V-827.0750B1SS | V-827.1000A1 | V-827.1000A1SS | V-827.1000B1 | V-827.1000B1SS | Tolerance |
|---|---|---|---|---|---|---|---|---|---|---|---|---|---|---|---|---|---|
| Active axes | X | X | X | X | X | X | X | X | X | X | X | X | X | X | X | X | |
| Travel range in X | 300 mm | 300 mm | 300 mm | 300 mm | 500 mm | 500 mm | 500 mm | 500 mm | 750 mm | 750 mm | 750 mm | 750 mm | 1000 mm | 1000 mm | 1000 mm | 1000 mm | |
| Acceleration in X, unloaded | 10 m/s² | 10 m/s² | 10 m/s² | 10 m/s² | 10 m/s² | 10 m/s² | 10 m/s² | 10 m/s² | 10 m/s² | 10 m/s² | 10 m/s² | 10 m/s² | 10 m/s² | 10 m/s² | 10 m/s² | 10 m/s² | max. |
| Maximum velocity in X, unloaded | 2000 mm/s | 2000 mm/s | 2000 mm/s | 2000 mm/s | 2000 mm/s | 2000 mm/s | 2000 mm/s | 2000 mm/s | 2000 mm/s | 2000 mm/s | 2000 mm/s | 2000 mm/s | 2000 mm/s | 2000 mm/s | 2000 mm/s | 2000 mm/s | |
| Straightness error in Y (straightness) | ± 2 µm | ± 2 µm | ± 2 µm | ± 2 µm | ± 2 µm | ± 2 µm | ± 2 µm | ± 2 µm | ± 4 µm | ± 4 µm | ± 4 µm | ± 4 µm | ± 6 µm | ± 6 µm | ± 6 µm | ± 6 µm | typ. |
| Straightness error in Z (flatness) | ± 2 µm | ± 2 µm | ± 2 µm | ± 2 µm | ± 2 µm | ± 2 µm | ± 2 µm | ± 2 µm | ± 4 µm | ± 4 µm | ± 4 µm | ± 4 µm | ± 6 µm | ± 6 µm | ± 6 µm | ± 6 µm | typ. |
| Angular error around Y (pitch) | ± 50 µrad | ± 50 µrad | ± 50 µrad | ± 50 µrad | ± 50 µrad | ± 50 µrad | ± 50 µrad | ± 50 µrad | ± 60 µrad | ± 60 µrad | ± 60 µrad | ± 60 µrad | ± 60 µrad | ± 60 µrad | ± 60 µrad | ± 60 µrad | typ. |
| Angular error around Z (yaw) | ± 30 µrad | ± 30 µrad | ± 30 µrad | ± 30 µrad | ± 30 µrad | ± 30 µrad | ± 30 µrad | ± 30 µrad | ± 40 µrad | ± 40 µrad | ± 40 µrad | ± 40 µrad | ± 40 µrad | ± 40 µrad | ± 40 µrad | ± 40 µrad | typ. |
| Positioning | V-827.0300A1 | V-827.0300A1SS | V-827.0300B1 | V-827.0300B1SS | V-827.0500A1 | V-827.0500A1SS | V-827.0500B1 | V-827.0500B1SS | V-827.0750A1 | V-827.0750A1SS | V-827.0750B1 | V-827.0750B1SS | V-827.1000A1 | V-827.1000A1SS | V-827.1000B1 | V-827.1000B1SS | Tolerance |
| Minimum incremental motion in X | 0.025 µm | 0.025 µm | 0.025 µm | 0.025 µm | 0.025 µm | 0.025 µm | 0.025 µm | 0.025 µm | 0.025 µm | 0.025 µm | 0.025 µm | 0.025 µm | 0.025 µm | 0.025 µm | 0.025 µm | 0.025 µm | typ. |
| Positioning accuracy in X, calibrated | ± 0.25 µm | ± 0.25 µm | ± 0.25 µm | ± 0.25 µm | ± 0.4 µm | ± 0.4 µm | ± 0.4 µm | ± 0.4 µm | ± 0.5 µm | ± 0.5 µm | ± 0.5 µm | ± 0.5 µm | ± 0.6 µm | ± 0.6 µm | ± 0.6 µm | ± 0.6 µm | typ. |
| Bidirectional repeatability in X | 0.3 µm | 0.3 µm | 0.3 µm | 0.3 µm | 0.3 µm | 0.3 µm | 0.3 µm | 0.3 µm | 0.3 µm | 0.3 µm | 0.3 µm | 0.3 µm | 0.3 µm | 0.3 µm | 0.3 µm | 0.3 µm | typ. |
| Reference switch | Encoder index | Encoder index | — | — | Encoder index | Encoder index | — | — | Encoder index | Encoder index | — | — | Encoder index | Encoder index | — | — | |
| Integrated sensor | Incremental linear encoder | Incremental linear encoder | Absolute linear encoder | Absolute linear encoder | Incremental linear encoder | Incremental linear encoder | Absolute linear encoder | Absolute linear encoder | Incremental linear encoder | Incremental linear encoder | Absolute linear encoder | Absolute linear encoder | Incremental linear encoder | Incremental linear encoder | Absolute linear encoder | Absolute linear encoder | |
| Sensor signal | Sin/cos, 1 V peak-to-peak | Sin/cos, 1 V peak-to-peak | BiSS-C, 32-bit | BiSS-C, 32-bit | Sin/cos, 1 V peak-to-peak | Sin/cos, 1 V peak-to-peak | BiSS-C, 32-bit | BiSS-C, 32-bit | Sin/cos, 1 V peak-to-peak | Sin/cos, 1 V peak-to-peak | BiSS-C, 32-bit | BiSS-C, 32-bit | Sin/cos, 1 V peak-to-peak | Sin/cos, 1 V peak-to-peak | BiSS-C, 32-bit | BiSS-C, 32-bit | |
| Sensor resolution | 1 nm | 1 nm | 1 nm | 1 nm | 1 nm | 1 nm | 1 nm | 1 nm | 1 nm | 1 nm | 1 nm | 1 nm | 1 nm | 1 nm | 1 nm | 1 nm | |
| Drive properties | V-827.0300A1 | V-827.0300A1SS | V-827.0300B1 | V-827.0300B1SS | V-827.0500A1 | V-827.0500A1SS | V-827.0500B1 | V-827.0500B1SS | V-827.0750A1 | V-827.0750A1SS | V-827.0750B1 | V-827.0750B1SS | V-827.1000A1 | V-827.1000A1SS | V-827.1000B1 | V-827.1000B1SS | Tolerance |
| Drive type | Ironless 3-phase linear motor | Ironless 3-phase linear motor | Ironless 3-phase linear motor | Ironless 3-phase linear motor | Ironless 3-phase linear motor | Ironless 3-phase linear motor | Ironless 3-phase linear motor | Ironless 3-phase linear motor | Ironless 3-phase linear motor | Ironless 3-phase linear motor | Ironless 3-phase linear motor | Ironless 3-phase linear motor | Ironless 3-phase linear motor | Ironless 3-phase linear motor | Ironless 3-phase linear motor | Ironless 3-phase linear motor | |
| Nominal voltage | 96 V | 96 V | 96 V | 96 V | 96 V | 96 V | 96 V | 96 V | 96 V | 96 V | 96 V | 96 V | 96 V | 96 V | 96 V | 96 V | |
| Nominal current, RMS | 7.6 A | 7.6 A | 7.6 A | 7.6 A | 7.6 A | 7.6 A | 7.6 A | 7.6 A | 7.6 A | 7.6 A | 7.6 A | 7.6 A | 7.6 A | 7.6 A | 7.6 A | 7.6 A | typ. |
| Peak current, RMS | 26.2 A | 26.2 A | 26.2 A | 26.2 A | 26.2 A | 26.2 A | 26.2 A | 26.2 A | 26.2 A | 26.2 A | 26.2 A | 26.2 A | 26.2 A | 26.2 A | 26.2 A | 26.2 A | typ. |
| Drive force in X | 210 N | 210 N | 210 N | 210 N | 210 N | 210 N | 210 N | 210 N | 210 N | 210 N | 210 N | 210 N | 210 N | 210 N | 210 N | 210 N | typ. |
| Peak force in X | 720 N | 720 N | 720 N | 720 N | 720 N | 720 N | 720 N | 720 N | 720 N | 720 N | 720 N | 720 N | 720 N | 720 N | 720 N | 720 N | |
| Force constant | 27.5 N/A | 27.5 N/A | 27.5 N/A | 27.5 N/A | 27.5 N/A | 27.5 N/A | 27.5 N/A | 27.5 N/A | 27.5 N/A | 27.5 N/A | 27.5 N/A | 27.5 N/A | 27.5 N/A | 27.5 N/A | 27.5 N/A | 27.5 N/A | |
| Resistance phase-phase | 0.85 Ω | 0.85 Ω | 0.85 Ω | 0.85 Ω | 0.85 Ω | 0.85 Ω | 0.85 Ω | 0.85 Ω | 0.85 Ω | 0.85 Ω | 0.85 Ω | 0.85 Ω | 0.85 Ω | 0.85 Ω | 0.85 Ω | 0.85 Ω | typ. |
| Inductance phase-phase | 0.7 mH | 0.7 mH | 0.7 mH | 0.7 mH | 0.7 mH | 0.7 mH | 0.7 mH | 0.7 mH | 0.7 mH | 0.7 mH | 0.7 mH | 0.7 mH | 0.7 mH | 0.7 mH | 0.7 mH | 0.7 mH | |
| Back EMF phase-phase | 22.5 V·s/m | 22.5 V·s/m | 22.5 V·s/m | 22.5 V·s/m | 22.5 V·s/m | 22.5 V·s/m | 22.5 V·s/m | 22.5 V·s/m | 22.5 V·s/m | 22.5 V·s/m | 22.5 V·s/m | 22.5 V·s/m | 22.5 V·s/m | 22.5 V·s/m | 22.5 V·s/m | 22.5 V·s/m | max. |
| Pole pitch N-N | 42 mm | 42 mm | 42 mm | 42 mm | 42 mm | 42 mm | 42 mm | 42 mm | 42 mm | 42 mm | 42 mm | 42 mm | 42 mm | 42 mm | 42 mm | 42 mm | |
| Mechanical properties | V-827.0300A1 | V-827.0300A1SS | V-827.0300B1 | V-827.0300B1SS | V-827.0500A1 | V-827.0500A1SS | V-827.0500B1 | V-827.0500B1SS | V-827.0750A1 | V-827.0750A1SS | V-827.0750B1 | V-827.0750B1SS | V-827.1000A1 | V-827.1000A1SS | V-827.1000B1 | V-827.1000B1SS | Tolerance |
| Maximum load capacity, horizontal orientation | 150 kg | 150 kg | 150 kg | 150 kg | 150 kg | 150 kg | 150 kg | 150 kg | 150 kg | 150 kg | 150 kg | 150 kg | 150 kg | 150 kg | 150 kg | 150 kg | |
| Moved mass in X, unloaded | 5000 g | 5000 g | 5000 g | 5000 g | 5000 g | 5000 g | 5000 g | 5000 g | 5000 g | 5000 g | 5000 g | 5000 g | 5000 g | 5000 g | 5000 g | 5000 g | |
| Guide | Recirculating ball bearing guide | Recirculating ball bearing guide | Recirculating ball bearing guide | Recirculating ball bearing guide | Recirculating ball bearing guide | Recirculating ball bearing guide | Recirculating ball bearing guide | Recirculating ball bearing guide | Recirculating ball bearing guide | Recirculating ball bearing guide | Recirculating ball bearing guide | Recirculating ball bearing guide | Recirculating ball bearing guide | Recirculating ball bearing guide | Recirculating ball bearing guide | Recirculating ball bearing guide | |
| Overall mass | 18000 g | 18000 g | 18000 g | 18000 g | 25000 g | 25000 g | 25000 g | 25000 g | 32000 g | 32000 g | 32000 g | 32000 g | 45000 g | 45000 g | 45000 g | 45000 g | |
| Material | Hardcoat aluminum (base body) | Hardcoat aluminum (base body) | Hardcoat aluminum (base body) | Hardcoat aluminum (base body) | Hardcoat aluminum (base body) | Hardcoat aluminum (base body) | Hardcoat aluminum (base body) | Hardcoat aluminum (base body) | Hardcoat aluminum (base body) | Hardcoat aluminum (base body) | Hardcoat aluminum (base body) | Hardcoat aluminum (base body) | Hardcoat aluminum (base body) | Hardcoat aluminum (base body) | Hardcoat aluminum (base body) | Hardcoat aluminum (base body) | |
| Motion platform dimensions | 270 x 270 mm | 270 x 270 mm | 270 x 270 mm | 270 x 270 mm | 270 x 270 mm | 270 x 270 mm | 270 x 270 mm | 270 x 270 mm | 270 x 270 mm | 270 x 270 mm | 270 x 270 mm | 270 x 270 mm | 270 x 270 mm | 270 x 270 mm | 270 x 270 mm | 270 x 270 mm | |
| Height | 100 mm | 100 mm | 100 mm | 100 mm | 100 mm | 100 mm | 100 mm | 100 mm | 100 mm | 100 mm | 100 mm | 100 mm | 100 mm | 100 mm | 100 mm | 100 mm | |
| Miscellaneous | V-827.0300A1 | V-827.0300A1SS | V-827.0300B1 | V-827.0300B1SS | V-827.0500A1 | V-827.0500A1SS | V-827.0500B1 | V-827.0500B1SS | V-827.0750A1 | V-827.0750A1SS | V-827.0750B1 | V-827.0750B1SS | V-827.1000A1 | V-827.1000A1SS | V-827.1000B1 | V-827.1000B1SS | Tolerance |
| Operating temperature range | 5 to 50 °C | 5 to 50 °C | 5 to 50 °C | 5 to 50 °C | 5 to 50 °C | 5 to 50 °C | 5 to 50 °C | 5 to 50 °C | 5 to 50 °C | 5 to 50 °C | 5 to 50 °C | 5 to 50 °C | 5 to 50 °C | 5 to 50 °C | 5 to 50 °C | 5 to 50 °C | |
| Connector | D-sub 9W4 (m) | D-sub 9W4 (m) | D-sub 9W4 (m) | D-sub 9W4 (m) | D-sub 9W4 (m) | D-sub 9W4 (m) | D-sub 9W4 (m) | D-sub 9W4 (m) | D-sub 9W4 (m) | D-sub 9W4 (m) | D-sub 9W4 (m) | D-sub 9W4 (m) | D-sub 9W4 (m) | D-sub 9W4 (m) | D-sub 9W4 (m) | D-sub 9W4 (m) | |
| Sensor connector | D-sub 15 (m) | D-sub 15 (m) | D-sub 15 (m) | D-sub 15 (m) | D-sub 15 (m) | D-sub 15 (m) | D-sub 15 (m) | D-sub 15 (m) | D-sub 15 (m) | D-sub 15 (m) | D-sub 15 (m) | D-sub 15 (m) | D-sub 15 (m) | D-sub 15 (m) | D-sub 15 (m) | D-sub 15 (m) | |
| Recommended controllers/drivers | A-82x, A-81x | A-82x, A-81x | A-82x, A-81x | A-82x, A-81x | A-82x, A-81x | A-82x, A-81x | A-82x, A-81x | A-82x, A-81x | A-82x, A-81x | A-82x, A-81x | A-82x, A-81x | A-82x, A-81x | A-82x, A-81x | A-82x, A-81x | A-82x, A-81x | A-82x, A-81x |
Note on velocity and acceleration: It can be limited by payload, controller, or drive performance.
Note on linear and rotational crosstalk: Depending on the quality of the surface, the payload, the orientation and the forces acting on the stage from the outside. Please contact PI for application-specific parameters. The specified values are static (no rotary motion during measuring) and without load.
Note on positioning accuracy: With guiding error compensation. The specified values are based on error compensation controlled by the controller. The positioner must be ordered with a controller from PI to reach these values. Accuracy values assume short time duration and do not consider the long-term effects of thermal drift on the stage.
At PI, technical data is specified at 22 ±3 °C. Unless otherwise stated, the values are for unloaded conditions. Some properties are interdependent. The designation "typ." indicates a statistical average for a property; it does not indicate a guaranteed value for every product supplied. During the final inspection of a product, only selected properties are analyzed, not all. Please note that some product characteristics may deteriorate with increasing operating time.
Ask for a free quote on quantities required, prices, and lead times or describe your desired modification.
High-load precision linear stage with direct drive; ironless 3-phase linear motor; 300 mm travel range; 150 kg load capacity; 2000 mm/s maximum velocity; incremental linear encoder, 1 nm sensor resolution, sin/cos, 1 V peak-peak; size of motion platform: 270 × 270 mm; model with lateral sealing
High-load precision linear stage with direct drive; ironless 3-phase linear motor; 300 mm travel range; 150 kg load capacity; 2000 mm/s maximum velocity; absolute linear encoder, 1 nm sensor resolution, BiSS-C, 32-bit; size of motion platform: 270 × 270 mm
High-load precision linear stage with direct drive; ironless 3-phase linear motor; 300 mm travel range; 150 kg load capacity; 2000 mm/s maximum velocity; absolute linear encoder, 1 nm sensor resolution, BiSS-C, 32-bit; size of motion platform: 270 × 270 mm; model with lateral sealing
High-load precision linear stage with direct drive; ironless 3-phase linear motor; 500 mm travel range; 150 kg load capacity; 2000 mm/s maximum velocity; incremental linear encoder, 1 nm sensor resolution, sin/cos, 1 V peak-peak; size of motion platform: 270 × 270 mm
High-load precision linear stage with direct drive; ironless 3-phase linear motor; 500 mm travel range; 150 kg load capacity; 2000 mm/s maximum velocity; incremental linear encoder, 1 nm sensor resolution, sin/cos, 1 V peak-peak; size of motion platform: 270 × 270 mm; model with lateral sealing
High-load precision linear stage with direct drive; ironless 3-phase linear motor; 500 mm travel range; 150 kg load capacity; 2000 mm/s maximum velocity; absolute linear encoder, 1 nm sensor resolution, BiSS-C, 32-bit; size of motion platform: 270 × 270 mm
High-load precision linear stage with direct drive; ironless 3-phase linear motor; 500 mm travel range; 150 kg load capacity; 2000 mm/s maximum velocity; absolute linear encoder, 1 nm sensor resolution, BiSS-C, 32-bit; size of motion platform: 270 × 270 mm; model with lateral sealing
High-load precision linear stage with direct drive; ironless 3-phase linear motor; 750 mm travel range; 150 kg load capacity; 2000 mm/s maximum velocity; incremental linear encoder, 1 nm sensor resolution, sin/cos, 1 V peak-peak; size of motion platform: 270 × 270 mm
High-load precision linear stage with direct drive; ironless 3-phase linear motor; 750 mm travel range; 150 kg load capacity; 2000 mm/s maximum velocity; incremental linear encoder, 1 nm sensor resolution, sin/cos, 1 V peak-peak; size of motion platform: 270 × 270 mm; model with lateral sealing
High-load precision linear stage with direct drive; ironless 3-phase linear motor; 750 mm travel range; 150 kg load capacity; 2000 mm/s maximum velocity; absolute linear encoder, 1 nm sensor resolution, BiSS-C, 32-bit; size of motion platform: 270 × 270 mm
High-load precision linear stage with direct drive; ironless 3-phase linear motor; 750 mm travel range; 150 kg load capacity; 2000 mm/s maximum velocity; absolute linear encoder, 1 nm sensor resolution, BiSS-C, 32-bit; size of motion platform: 270 × 270 mm; model with lateral sealing
High-load precision linear stage with direct drive; ironless 3-phase linear motor; 1000 mm travel range; 150 kg load capacity; 2000 mm/s maximum velocity; incremental linear encoder, 1 nm sensor resolution, sin/cos, 1 V peak-peak; size of motion platform: 270 × 270 mm
High-load precision linear stage with direct drive; ironless 3-phase linear motor; 1000 mm travel range; 150 kg load capacity; 2000 mm/s maximum velocity; incremental linear encoder, 1 nm sensor resolution, sin/cos, 1 V peak-peak; size of motion platform: 270 × 270 mm; model with lateral sealing
High-load precision linear stage with direct drive; ironless 3-phase linear motor; 1000 mm travel range; 150 kg load capacity; 2000 mm/s maximum velocity; absolute linear encoder, 1 nm sensor resolution, BiSS-C, 32-bit; size of motion platform: 270 × 270 mm
High-load precision linear stage with direct drive; ironless 3-phase linear motor; 1000 mm travel range; 150 kg load capacity; 2000 mm/s maximum velocity; absolute linear encoder, 1 nm sensor resolution, BiSS-C, 32-bit; size of motion platform: 270 × 270 mm; model with lateral sealing








