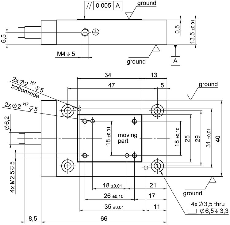
High-precision nanopositioning stage; 15 µm travel range; capacitive, direct position measuring; LEMO connectors; 1.5 m cable length
P-752 High-Precision Nanopositioning Stage
Highly Dynamic and Stable Piezo Scanner with Extremely Accurate Guiding
- Resolution 0.1 nm
- Fast response behavior
- Travel range up to 35 µm
- Highest linearity due to capacitive sensors
- Friction-free flexure guides for very high travel accuracy
- Outstanding lifetime thanks to PICMA® piezo actuators




Application fields
- Scanning microscopy
- Measuring technology
- Test procedures and quality assurance
- Photonics
- Fiber positioning
Outstanding lifetime due to PICMA® piezo actuators
The PICMA® piezo actuators are all-ceramic insulated. This protects them against humidity and failure resulting from an increase in leakage current. PICMA® actuators offer an up to ten times longer lifetime than conventional polymer-insulated actuators. 100 billion cycles without a single failure are proven.
Subnanometer resolution with capacitive sensors
Capacitive sensors measure with subnanometer resolution without contacting. They guarantee excellent linearity of motion, long-term stability, and a bandwidth in the kHz range.
High guiding accuracy due to zero-play flexure guides
Flexure guides are free of maintenance, friction, and wear, and do not require lubrication. Their stiffness allows high load capacity and they are insensitive to shock and vibration. They work in a wide temperature range.
Automatic configuration and fast component exchange
Mechanics and controllers can be can be combined as required and exchanged quickly. All servo and linearization parameters are stored in the ID chip of the mechanics' D-sub connector. The auto calibration function on the digital controller automatically uses this data every time the controller is switched on.
Maximum accuracy due to direct position measuring
Motion is measured directly at the motion platform without any influence from the drive or guide elements. This allows optimal repeatability, outstanding stability, and stiff, fast-responding control.
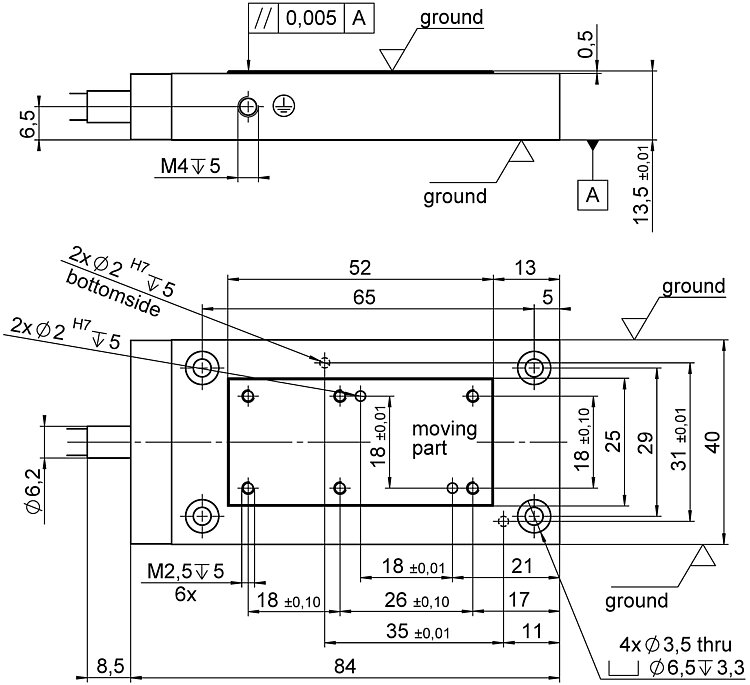
Specifications
Specifications
| Motion | P-752.11C | P-752.1CD | P-752.21C | P-752.2CD | Tolerance |
|---|---|---|---|---|---|
| Active axes | X | X | X | X | |
| Travel range in X | 15 µm | 15 µm | 30 µm | 30 µm | |
| Travel range in X, open loop, at -20 to 120 V | 20 µm | 20 µm | 35 µm | 35 µm | +20 / -0 % |
| Linearity error in X | 0.03 % | 0.03 % | 0.03 % | 0.03 % | typ. |
| Pitch (Rotational crosstalk in θY with motion in X) | ± 1 µrad | ± 1 µrad | ± 1 µrad | ± 1 µrad | typ. |
| Yaw (Rotational crosstalk in θZ with motion in X) | ± 1 µrad | ± 1 µrad | ± 1 µrad | ± 1 µrad | typ. |
| Positioning | P-752.11C | P-752.1CD | P-752.21C | P-752.2CD | Tolerance |
| Unidirectional repeatability in X | ± 1 nm | ± 1 nm | ± 2 nm | ± 2 nm | typ. |
| Resolution in X, open loop | 0.1 nm | 0.1 nm | 0.2 nm | 0.2 nm | typ. |
| Integrated sensor | Capacitive, direct position measuring | Capacitive, direct position measuring | Capacitive, direct position measuring | Capacitive, direct position measuring | |
| System resolution in X | 0.1 nm | 0.1 nm | 0.2 nm | 0.2 nm | |
| Drive Properties | P-752.11C | P-752.1CD | P-752.21C | P-752.2CD | Tolerance |
| Drive type | PICMA® | PICMA® | PICMA® | PICMA® | |
| Electrical capacitance in X | 2.1 µF | 2.1 µF | 3.7 µF | 3.7 µF | ±20 % |
| Mechanical Properties | P-752.11C | P-752.1CD | P-752.21C | P-752.2CD | Tolerance |
| Stiffness in X | 30 N/µm | 30 N/µm | 20 N/µm | 20 N/µm | ±20 % |
| Resonant frequency in X, unloaded | 3200 Hz | 3200 Hz | 2100 Hz | 2100 Hz | ±20 % |
| Resonant frequency in X, under load with 300 g | 980 Hz | 980 Hz | 600 Hz | 600 Hz | ±20 % |
| Permissible push force in X | 100 N | 100 N | 100 N | 100 N | max. |
| Permissible push force in Z | 30 N | 30 N | 30 N | 30 N | max. |
| Permissible pull force in X | 10 N | 10 N | 10 N | 10 N | max. |
| Guide | Flexure guide with lever amplification | Flexure guide with lever amplification | Flexure guide with lever amplification | Flexure guide with lever amplification | |
| Overall mass | 250 g | 250 g | 350 g | 350 g | ±5 % |
| Material | Steel | Steel | Steel | Steel | |
| Miscellaneous | P-752.11C | P-752.1CD | P-752.21C | P-752.2CD | Tolerance |
| Operating temperature range | -20 to 80 °C | -20 to 80 °C | -20 to 80 °C | -20 to 80 °C | |
| Connector | LEMO FFS.00.250.CTCE24 | D-sub 7W2 (m) | LEMO FFS.00.250.CTCE24 | D-sub 7W2 (m) | |
| Sensor connector | LEMO FFA.00.250.CTLC31 | LEMO FFA.00.250.CTLC31 | |||
| Cable length | 1.5 m | 1.5 m | 1.5 m | 1.5 m | +50 / -0 mm |
| Recommended controllers / drivers | E-505, E-610, E-625, E-754 | E-505, E-610, E-625, E-754 | E-505, E-610, E-625, E-754 | E-505, E-610, E-625, E-754 |
Repeatability: Typical, full travel.
The resolution of the system is limited only by the noise of the amplifier and the measuring technology because PI piezo nanopositioning systems are free of friction.
Downloads
Product Note
Product Change Notification Piezo Actuator Driven Products
Datasheet
Documentation
User Manual P752T0002
P-752 High Precision Nanopositioning Stage
3D Models
P-752 3-D model
Quote / Order
Ask for a free quote on quantities required, prices, and lead times or describe your desired modification.
High-precision nanopositioning stage; 15 µm travel range; capacitive, direct position measuring; D-sub 7W2 (m); 1.5 m cable length
High-precision nanopositioning stage; 30 µm travel range; capacitive, direct position measuring; LEMO connectors; 1.5 m cable length
High-precision nanopositioning stage; 30 µm travel range; capacitive, direct position measuring; D-sub 7W2 (m); 1.5 m cable length
How to Get a Quote

Ask an engineer!
Quickly receive an answer to your question by email or phone from a local PI sales engineer.
Technology

PICMA® Technology
Highly reliable and extended lifetime through the patented manufacturing process for multilayer actuators.

Flexure Guiding Systems
Flexure guides from PI have proven their worth in nanopositioning. They guide the piezo actuator and ensure a straight motion without tilting or lateral offset.

Digital Motion Controllers
Digital technology opens up possibilities for improving performance in control engineering which do not exist with conventional analog technology.

Capacitive Sensors
Capacitive sensors are the metrology system of choice for the most demanding nanopositioning applications.













