PIMars 6-axis nanopositioning stage; 200 µm × 200 µm × 200 µm travel range (X × Y × Z); 1 mrad × 1 mrad × 1 mrad rotational angle (θX × θY × θZ); capacitive, indirect position measuring; 2 × D-sub 25W3 (m) connector; 1.5 m cable length
P-562.6CD PIMars 6-Axis Nanopositioning Stage
High-Precision Nanopositioner with 6 Degrees of Freedom
- 6 motion axes: 3 × linear, 3 × rotational
- Travel ranges to 200 µm linear and to 1 mrad tip/tilt angle
- Parallel kinematics for faster response times and higher multi-axis accuracy
- Highest linearity due to capacitive sensors
- Zero-play, high-precision flexure guide system
- Excellent scanning flatness
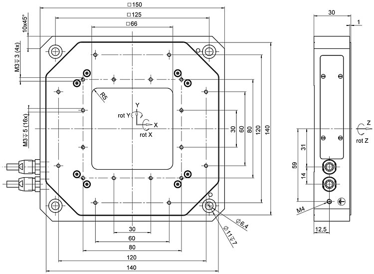
- Clear aperture 66 mm × 66 mm
- Outstanding lifetime due to PICMA® piezo actuators
Application fields
- Scanning microscopy
- Super-resolution microscopy
- Biotechnology
- Mask/wafer positioning
- Sample positioning
- Interferometry
- Metrology
Outstanding lifetime thanks to PICMA® piezo actuators
The PICMA® piezo actuators are all-ceramic insulated. This protects them against humidity and failure resulting from an increase in leakage current. PICMA® actuators offer an up to ten times longer lifetime than conventional polymer-insulated actuators. 100 billion cycles without a single failure are proven.
Subnanometer resolution with capacitive sensors
Capacitive sensors measure with subnanometer resolution without contacting. They guarantee excellent linearity of motion, long-term stability, and a bandwidth in the kHz range.
High guiding accuracy due to zero-play flexure guides
Flexure guides are free of maintenance, friction, and wear, and do not require lubrication. Their stiffness allows high load capacity and they are insensitive to shock and vibration. They work in a wide temperature range.
Automatic configuration and fast component exchange
Mechanics and controllers can be combined as required and exchanged quickly. All servo and linearization parameters are stored in the ID chip of the D-sub connector of the mechanics. The autocalibration function of the digital controllers uses this data each time the controller is switched on.
High tracking accuracy in the nanometer range due to parallel position measuring
All degrees of freedom are measured against a single fixed reference. Undesired crosstalk between axes can be actively compensated (active guiding) in real time (depending on the bandwidth). High tracking accuracy is achieved in the nanometer range even in dynamic operation.
Specifications
Specifications
| Motion | P-562.6CD | Tolerance |
|---|---|---|
| Active axes | X ǀ Y ǀ Z ǀ θX ǀ θY ǀ θZ | |
| Travel range in X | 200 µm | |
| Travel range in Y | 200 µm | |
| Travel range in Z | 200 µm | |
| Rotation range in θX | ± 0.5 mrad | |
| Rotation range in θY | ± 0.5 mrad | |
| Rotation range in θZ | ± 0.5 mrad | |
| Linearity error in X | 0.03 % | |
| Linearity error in Y | 0.03 % | |
| Linearity error in Z | 0.03 % | |
| Linearity error in θX | 0.1 % | typ. |
| Linearity error in θY | 0.1 % | typ. |
| Linearity error in θZ | 0.1 % | typ. |
| Flatness | < 15 nm | typ. |
| Positioning | P-562.6CD | Tolerance |
| Unidirectional repeatability in X | ± 2 nm | typ. |
| Unidirectional repeatability in Y | ± 2 nm | typ. |
| Unidirectional repeatability in Z | ± 3 nm | typ. |
| Unidirectional repeatability in θX | ± 0.1 µrad | typ. |
| Unidirectional repeatability in θY | ± 0.1 µrad | typ. |
| Unidirectional repeatability in θZ | ± 0.15 µrad | typ. |
| Integrated sensor | Capacitive, indirect position measuring | |
| System resolution in X | 1 nm | typ. |
| System resolution in Y | 1 nm | typ. |
| System resolution in Z | 1 nm | typ. |
| System resolution in θX | 0.1 µrad | typ. |
| System resolution in θY | 0.1 µrad | typ. |
| System resolution in θZ | 0.1 µrad | typ. |
| Drive properties | P-562.6CD | Tolerance |
| Drive type | PICMA® | |
| Electrical capacitance in X | 7.4 µF | ±20 % |
| Electrical capacitance in Y | 7.4 µF | ±20 % |
| Electrical capacitance in Z | 14.8 µF | ±20 % |
| Mechanical properties | P-562.6CD | Tolerance |
| Resonant frequency in X, unloaded | 110 Hz | ±20 % |
| Resonant frequency in Y, unloaded | 110 Hz | ±20 % |
| Resonant frequency in Z, unloaded | 190 Hz | ±20 % |
| Permissible push force in X | 50 N | max. |
| Permissible push force in Y | 50 N | max. |
| Permissible push force in Z | 60 N | max. |
| Permissible pull force in X | 40 N | max. |
| Permissible pull force in Y | 40 N | max. |
| Permissible pull force in Z | 60 N | max. |
| Guide | Flexure guide with lever amplification | |
| Overall mass | 1450 g | ±5 % |
| Material | Aluminum | |
| Miscellaneous | P-562.6CD | Tolerance |
| Operating temperature range | -20 to 80 °C | |
| Connector | 2 × D-sub 25W3 (m) | |
| Cable length | 1.5 m | ±10 mm |
| Recommended controllers/drivers | E-713.6CD, E-713.6CDA |
The resolution of the system is limited only by the noise of the amplifier and the measuring technology because PI piezo nanopositioning systems are free of friction.
UHV-compatible versions up to 10-9 hPa and versions with other travel ranges available on request.
At PI, technical data is specified at 22 ±3 °C. Unless otherwise stated, the values are for unloaded conditions. Some properties are interdependent. The designation "typ." indicates a statistical average for a property; it does not indicate a guaranteed value for every product supplied. During the final inspection of a product, only selected properties are analyzed, not all. Please note that some product characteristics may deteriorate with increasing operating time.
Downloads
Datasheet
Documentation
User Manual PZ297
P-562.6CD Nanopositioner
Technical Note P500T0002
Unpacking and Packing P-5xx Positioners
3D Models
P-562.6CD 3-D model
Quote / Order
Ask for a free quote on quantities required, prices, and lead times or describe your desired modification.
How to Get a Quote

Ask an engineer!
Quickly receive an answer to your question by email or phone from a local PI sales engineer.
Technology

PICMA® Technology
Highly reliable and extended lifetime through the patented manufacturing process for multilayer actuators.

Flexure Guiding Systems
Flexure guides from PI have proven their worth in nanopositioning. They guide the piezo actuator and ensure a straight motion without tilting or lateral offset.

Digital Motion Controllers
Digital technology opens up possibilities for improving performance in control engineering which do not exist with conventional analog technology.

Capacitive Sensors
Capacitive sensors are the metrology system of choice for the most demanding nanopositioning applications.

Piezo Positioning Systems with Parallel Kinematics
In a parallel-kinematic, multi-axis system, all actuators act directly on a single moving platform.






