Vacuum-compatible compact linear stage; DC gear motor; 5 mm travel range; 30 N load capacity; 1 mm/s maximum velocity; fine-threaded spindle; incremental rotary encoder, 2048 cts./rev. resolution, A/B quadrature, RS-422; vacuum compatible to 10-6 hPa; 0.5 m cable length
M-110 • M-111 • M-112 V6 Vacuum-Compatible Compact Linear Stage
XY(Z) Combinations with DC Gear Motor, Various Travel Range Variants
- Suitable for vacuum up to 10-6 hPa
- Very compact due to folded drive
- Closed-loop DC motors
- Travel ranges: 5, 15, and 25 mm
- Noncontact reference and limit switches
- XY setups can be mounted directly
Compact linear stage, versatile in use
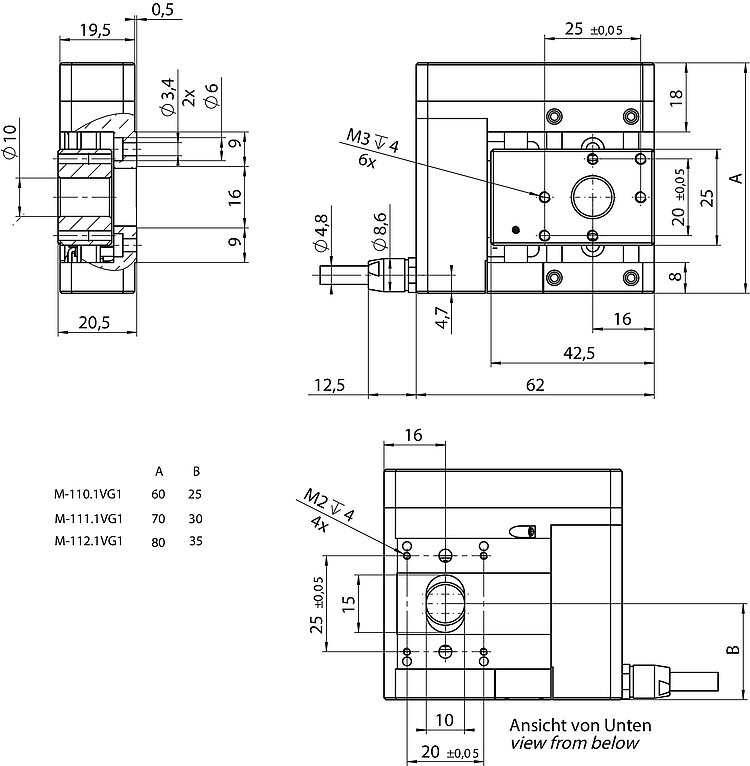
Linear stage with compact size due to folded drive with belt drive. Clear aperture with 10 mm Ø. XY setups can be mounted directly without adapter plate.
Reduced outgassing especially for use in vacuum environments
Most notably, for the lubrication of the guides and the spindle a material with particularly low outgassing is used. This allows a bakeout temperature of up to 80° C. With this and other modifications of the PI V6 vacuum class, this positioner can be used up to 10-6hPa.
Drive
- Closed-loop DC gear motor
- Backlash-compensated threaded spindle
Position measuring
- Rotary encoder on the motor shaft
- Noncontact Hall effect reference and limit switches
Application fields
Vacuum chambers. Research. Beamline instrumentation. Microscopy. Electronics assembly and inspection.
Specifications
Specifications
| Motion | M-110.1VG1 | M-111.1VG1 | M-112.1VG1 | Tolerance |
|---|---|---|---|---|
| Active axes | X | X | X | |
| Travel range in X | 5 mm | 15 mm | 25 mm | |
| Maximum velocity in X, unloaded | 1 mm/s | 1.5 mm/s | 1.5 mm/s | |
| Positioning | M-110.1VG1 | M-111.1VG1 | M-112.1VG1 | Tolerance |
| Minimum incremental motion in X | 0.05 µm | 0.05 µm | 0.05 µm | typ. |
| Unidirectional repeatability in X | ± 0.125 µm | ± 0.125 µm | ± 0.125 µm | typ. |
| Bidirectional repeatability in X | 4 µm | 4 µm | 4 µm | typ. |
| Backlash in X | 3 µm | 3 µm | 3 µm | typ. |
| Reference switch | Hall effect | Hall effect | Hall effect | |
| Limit switches | Hall effect | Hall effect | Hall effect | |
| Motor encoder | Incremental rotary encoder | Incremental rotary encoder | Incremental rotary encoder | |
| Motor encoder: Sensor signal | A/B quadrature, RS-422 | A/B quadrature, RS-422 | A/B quadrature, RS-422 | |
| Resolution, motor encoder | 2048 Cts./rev. | 2048 Cts./rev. | 2048 Cts./rev. | |
| Drive Properties | M-110.1VG1 | M-111.1VG1 | M-112.1VG1 | Tolerance |
| Drive type | DC gear motor | DC gear motor | DC gear motor | |
| Nominal voltage | 12 V | 12 V | 12 V | |
| Nominal current, RMS | 0.16 A | 0.32 A | 0.32 A | typ. |
| Drive force in positive direction of motion in X | 10 N | 10 N | 10 N | typ. |
| Drive force in negative direction of motion in X | 10 N | 10 N | 10 N | typ. |
| Mechanical Properties | M-110.1VG1 | M-111.1VG1 | M-112.1VG1 | Tolerance |
| Permissible push force in Y | 15 N | 10 N | 10 N | max. |
| Permissible push force in Z | 30 N | 30 N | 20 N | max. |
| Permissible torque in θX | 0.15 N·m | 0.15 N·m | 0.15 N·m | max. |
| Permissible torque in θY | 0.15 N·m | 0.15 N·m | 0.15 N·m | max. |
| Permissible torque in θZ | 0.15 N·m | 0.15 N·m | 0.15 N·m | max. |
| Holding force in X, passive | 10 N | 10 N | 10 N | |
| Moved mass in X, unloaded | 11 g | 11 g | 11 g | |
| Drive screw type | Fine-threaded spindle | Fine-threaded spindle | Fine-threaded spindle | |
| Drive screw pitch | 0.4 mm | 0.4 mm | 0.4 mm | |
| Gear ratio i | 29791 : 729 | 29791 : 729 | 29791 : 729 | |
| Guide | Ball guide | Ball guide | Ball guide | |
| Overall mass | 250 g | 270 g | 300 g | |
| Material | Anodized aluminum | Anodized aluminum | Anodized aluminum | |
| Miscellaneous | M-110.1VG1 | M-111.1VG1 | M-112.1VG1 | Tolerance |
| Operating temperature range | -20 to 65 °C | -20 to 65 °C | -20 to 65 °C | |
| Vacuum class | 10⁻⁶ ǀ hPa | 10⁻⁶ ǀ hPa | 10⁻⁶ ǀ hPa | |
| Connector | HD D-sub 26 (m) | HD D-sub 26 (m) | HD D-sub 26 (m) | |
| Cable length | 0.5 m | 0.5 m | 0.5 m | |
| Recommended controllers / drivers | C-863 C-884 G-901 G-910 ACS modular controller | C-863 C-884 G-901 G-910 ACS modular controller | C-863 C-884 G-901 G-910 ACS modular controller |
Note on minimum incremental motion: Values are achieved with the recommended controller
Note on nominal current: Values apply per phase
At PI, technical data is specified at 22 ±3 °C. Unless otherwise stated, the values are for unloaded conditions. Some properties are interdependent. The designation "typ." indicates a statistical average for a property; it does not indicate a guaranteed value for every product supplied. During the final inspection of a product, only selected properties are analyzed, not all. Please note that some product characteristics may deteriorate with increasing operating time.
Downloads
Datasheet
Documentation
User Manual M110T0032
M-110.x1 / M-111.x1 / M-112.x1 microtranslation stages
3D Models
3-D model M-11x.xxx1 V6
Ask for a free quote on quantities required, prices, and lead times or describe your desired modification.
Vacuum-compatible compact linear stage; DC gear motor; 15 mm travel range; 30 N load capacity; 1.5 mm/s maximum velocity; fine-threaded spindle; incremental rotary encoder, 2048 cts./rev. resolution, A/B quadrature, RS-422; vacuum compatible to 10-6 hPa; 0.5 m cable length
Vacuum-compatible compact linear stage; DC gear motor; 25 mm travel range; 20 N load capacity; 1.5 mm/s maximum velocity; fine-threaded spindle; incremental rotary encoder, 2048 cts./rev. resolution, A/B quadrature, RS-422; vacuum compatible to 10-6 hPa; 0.5 m cable length
How to Get a Quote

Ask an engineer!
Quickly receive an answer to your question by email or phone from a local PI sales engineer.
Technology

Vacuum
Careful handling, adequate premises: PI does not only have the necessary equipment for the qualification of materials, components and final products, but also has many years of experience with regard to HV und UHV positioning systems.

Rotating Electric Motors
Rotating electric motors such as DC or stepper motors are used in connection with screw or worm drives.















