PIHera precision XY nanopositioner, 60 µm × 60 µm, without sensors, LEMO connectors
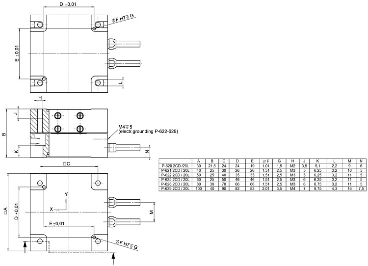
P-620.2 – P-629.2 PIHera XY Piezo Stage
High-precision XY Nanopositioners with Variable Travel Ranges
- Travel ranges 50 to 1800 µm
- Resolution to 0.1 nm
- Positioning accuracy 0.02 %
- Direct position measuring with capacitive sensors
- X, XY, Z, XYZ versions
Application fields
- Interferometry
- Microscopy
- Nanopositioning
- Biotechnology
- Test procedures and quality assurance
- Photonics
- Fiber positioning
- Semiconductor technology
Outstanding lifetime due to PICMA® piezo actuators
The PICMA® piezo actuators are all-ceramic insulated. This protects them against humidity and failure resulting from an increase in leakage current. PICMA® actuators offer an up to ten times longer lifetime than conventional polymer-insulated actuators. 100 billion cycles without a single failure are proven.
Subnanometer resolution with capacitive sensors
Capacitive sensors measure with subnanometer resolution without contacting. They guarantee excellent linearity of motion, long-term stability, and a bandwidth in the kHz range.
High guiding accuracy due to zero-play flexure guides
Flexure guides are free of maintenance, friction, and wear, and do not require lubrication. Their stiffness allows high load capacity and they are insensitive to shock and vibration. They work in a wide temperature range.
Maximum accuracy due to direct position measuring
Motion is measured directly at the motion platform without any influence from the drive or guide elements. This allows optimal repeatability, outstanding stability, and stiff, fast-responding control.
Specifications
Specifications
| Motion | P-620.20L | P-620.2CD | P-620.2CL | P-621.20L | P-621.2CD | P-621.2CL | P-622.20L | P-622.2CD | P-622.2CL | P-625.20L | P-625.2CD | P-625.2CL | P-628.20L | P-628.2CD | P-628.2CL | P-629.2CD | P-629.2CL | Tolerance |
|---|---|---|---|---|---|---|---|---|---|---|---|---|---|---|---|---|---|---|
| Active axes | X Y | X Y | X Y | X Y | X Y | X Y | X Y | X Y | X Y | X Y | X Y | X Y | X Y | X Y | X Y | X Y | X Y | |
| Travel range in X, open loop | 60 µm | 60 µm | 60 µm | 120 µm | 120 µm | 120 µm | 300 µm | 300 µm | 300 µm | 600 µm | 600 µm | 600 µm | 1000 µm | 1000 µm | 1000 µm | 1800 µm | 1800 µm | ±20 % |
| Travel range in Y, open loop | 60 µm | 60 µm | 60 µm | 120 µm | 120 µm | 120 µm | 300 µm | 300 µm | 300 µm | 600 µm | 600 µm | 600 µm | 1000 µm | 1000 µm | 1000 µm | 1800 µm | 1800 µm | ±20 % |
| Pitch (Rotational crosstalk in θX with motion in Y) | ± 3 µrad | ± 3 µrad | ± 3 µrad | ± 3 µrad | ± 3 µrad | ± 3 µrad | ± 3 µrad | ± 3 µrad | ± 3 µrad | ± 3 µrad | ± 3 µrad | ± 3 µrad | ± 20 µrad | ± 20 µrad | ± 20 µrad | ± 30 µrad | ± 30 µrad | typ. |
| Pitch (Rotational crosstalk in θY with motion in X) | ± 3 µrad | ± 3 µrad | ± 3 µrad | ± 3 µrad | ± 3 µrad | ± 3 µrad | ± 3 µrad | ± 3 µrad | ± 3 µrad | ± 3 µrad | ± 3 µrad | ± 3 µrad | ± 20 µrad | ± 20 µrad | ± 20 µrad | ± 30 µrad | ± 30 µrad | typ. |
| Yaw (Rotational crosstalk in θZ with motion in X) | ± 3 µrad | ± 3 µrad | ± 3 µrad | ± 3 µrad | ± 3 µrad | ± 3 µrad | ± 3 µrad | ± 3 µrad | ± 3 µrad | ± 5 µrad | ± 5 µrad | ± 5 µrad | ± 5 µrad | ± 5 µrad | ± 5 µrad | ± 5 µrad | ± 5 µrad | typ. |
| Yaw (Rotational crosstalk in θZ with motion in Y) | ± 3 µrad | ± 3 µrad | ± 3 µrad | ± 3 µrad | ± 3 µrad | ± 3 µrad | ± 3 µrad | ± 3 µrad | ± 3 µrad | ± 5 µrad | ± 5 µrad | ± 5 µrad | ± 5 µrad | ± 5 µrad | ± 5 µrad | ± 5 µrad | ± 5 µrad | typ. |
| Travel range in X | 50 µm | 50 µm | 100 µm | 100 µm | 250 µm | 250 µm | 500 µm | 500 µm | 800 µm | 800 µm | 1500 µm | 1500 µm | ||||||
| Travel range in Y | 50 µm | 50 µm | 100 µm | 100 µm | 250 µm | 250 µm | 500 µm | 500 µm | 800 µm | 800 µm | 1500 µm | 1500 µm | ||||||
| Linearity error in X | 0.02 % | 0.02 % | 0.02 % | 0.02 % | 0.02 % | 0.02 % | 0.03 % | 0.03 % | 0.03 % | 0.03 % | 0.03 % | 0.03 % | typ. | |||||
| Linearity error in Y | 0.02 % | 0.02 % | 0.02 % | 0.02 % | 0.02 % | 0.02 % | 0.03 % | 0.03 % | 0.03 % | 0.03 % | 0.03 % | 0.03 % | typ. | |||||
| Positioning | P-620.20L | P-620.2CD | P-620.2CL | P-621.20L | P-621.2CD | P-621.2CL | P-622.20L | P-622.2CD | P-622.2CL | P-625.20L | P-625.2CD | P-625.2CL | P-628.20L | P-628.2CD | P-628.2CL | P-629.2CD | P-629.2CL | Tolerance |
| Resolution in X, open loop | 0.1 nm | 0.1 nm | 0.1 nm | 0.2 nm | 0.2 nm | 0.2 nm | 0.4 nm | 0.4 nm | 0.4 nm | 0.5 nm | 0.5 nm | 0.5 nm | 0.5 nm | 0.5 nm | 0.5 nm | 2 nm | 2 nm | typ. |
| Resolution in Y, open loop | 0.1 nm | 0.1 nm | 0.1 nm | 0.2 nm | 0.2 nm | 0.2 nm | 0.4 nm | 0.4 nm | 0.4 nm | 0.5 nm | 0.5 nm | 0.5 nm | 0.5 nm | 0.5 nm | 0.5 nm | 2 nm | 2 nm | typ. |
| Bidirectional repeatability in X | 2 nm | 2 nm | 2 nm | 2 nm | 2 nm | 2 nm | 5 nm | 5 nm | 10 nm | 10 nm | 14 nm | 14 nm | typ. | |||||
| Bidirectional repeatability in Y | 2 nm | 2 nm | 2 nm | 2 nm | 2 nm | 2 nm | 5 nm | 5 nm | 10 nm | 10 nm | 14 nm | 14 nm | typ. | |||||
| Integrated sensor | Capacitive, direct position measuring | Capacitive, direct position measuring | Capacitive, direct position measuring | Capacitive, direct position measuring | Capacitive, direct position measuring | Capacitive, direct position measuring | Capacitive, direct position measuring | Capacitive, direct position measuring | Capacitive, direct position measuring | Capacitive, direct position measuring | Capacitive, direct position measuring | Capacitive, direct position measuring | ||||||
| System resolution in X | 0.2 nm | 0.2 nm | 0.4 nm | 0.4 nm | 0.7 nm | 0.7 nm | 1.4 nm | 1.4 nm | 3.5 nm | 3.5 nm | 3.5 nm | 3.5 nm | ||||||
| System resolution in Y | 0.2 nm | 0.2 nm | 0.4 nm | 0.4 nm | 0.7 nm | 0.7 nm | 1.4 nm | 1.4 nm | 3.5 nm | 3.5 nm | 3.5 nm | 3.5 nm | ||||||
| Drive Properties | P-620.20L | P-620.2CD | P-620.2CL | P-621.20L | P-621.2CD | P-621.2CL | P-622.20L | P-622.2CD | P-622.2CL | P-625.20L | P-625.2CD | P-625.2CL | P-628.20L | P-628.2CD | P-628.2CL | P-629.2CD | P-629.2CL | Tolerance |
| Drive type | PICMA® | PICMA® | PICMA® | PICMA® | PICMA® | PICMA® | PICMA® | PICMA® | PICMA® | PICMA® | PICMA® | PICMA® | PICMA® | PICMA® | PICMA® | PICMA® | PICMA® | |
| Maximum power consumption | 2 W | 2 W | 2 W | 6 W | 6 W | 6 W | 7 W | 7 W | 7 W | 9 W | 9 W | 9 W | 15 W | 15 W | 15 W | 38 W | 38 W | |
| Electrical capacitance in X | 0.35 µF | 0.35 µF | 0.35 µF | 1.5 µF | 1.5 µF | 1.5 µF | 3.1 µF | 3.1 µF | 3.1 µF | 6.2 µF | 6.2 µF | 6.2 µF | 19 µF | 19 µF | 19 µF | 52 µF | 52 µF | ±20 % |
| Electrical capacitance in Y | 0.35 µF | 0.35 µF | 0.35 µF | 1.5 µF | 1.5 µF | 1.5 µF | 3.1 µF | 3.1 µF | 3.1 µF | 6.2 µF | 6.2 µF | 6.2 µF | 19 µF | 19 µF | 19 µF | 52 µF | 52 µF | ±20 % |
| Short-term maximum operating frequency | 267 Hz | 267 Hz | 267 Hz | 178 Hz | 178 Hz | 178 Hz | 100 Hz | 100 Hz | 100 Hz | 65 Hz | 65 Hz | 65 Hz | 35 Hz | 35 Hz | 35 Hz | 33 Hz | 33 Hz | |
| Mechanical Properties | P-620.20L | P-620.2CD | P-620.2CL | P-621.20L | P-621.2CD | P-621.2CL | P-622.20L | P-622.2CD | P-622.2CL | P-625.20L | P-625.2CD | P-625.2CL | P-628.20L | P-628.2CD | P-628.2CL | P-629.2CD | P-629.2CL | Tolerance |
| Stiffness in X | 0.22 N/µm | 0.22 N/µm | 0.22 N/µm | 0.25 N/µm | 0.25 N/µm | 0.25 N/µm | 0.2 N/µm | 0.2 N/µm | 0.2 N/µm | 0.1 N/µm | 0.1 N/µm | 0.1 N/µm | 0.05 N/µm | 0.05 N/µm | 0.05 N/µm | 0.1 N/µm | 0.1 N/µm | ±20 % |
| Stiffness in Y | 0.22 N/µm | 0.22 N/µm | 0.22 N/µm | 0.25 N/µm | 0.25 N/µm | 0.25 N/µm | 0.2 N/µm | 0.2 N/µm | 0.2 N/µm | 0.1 N/µm | 0.1 N/µm | 0.1 N/µm | 0.05 N/µm | 0.05 N/µm | 0.05 N/µm | 0.1 N/µm | 0.1 N/µm | ±20 % |
| Resonant frequency in X, unloaded | 575 Hz | 575 Hz | 575 Hz | 420 Hz | 420 Hz | 420 Hz | 225 Hz | 225 Hz | 225 Hz | 135 Hz | 135 Hz | 135 Hz | 75 Hz | 75 Hz | 75 Hz | 60 Hz | 60 Hz | ±20 % |
| Resonant frequency in X, under load with 50 g | 285 Hz | 285 Hz | 285 Hz | 285 Hz | 285 Hz | 285 Hz | 180 Hz | 180 Hz | 180 Hz | 120 Hz | 120 Hz | 120 Hz | 60 Hz | 60 Hz | 60 Hz | 55 Hz | 55 Hz | ±20 % |
| Resonant frequency in X, under load with 100 g | 270 Hz | 270 Hz | 270 Hz | 220 Hz | 220 Hz | 220 Hz | 160 Hz | 160 Hz | 160 Hz | 105 Hz | 105 Hz | 105 Hz | 55 Hz | 55 Hz | 55 Hz | 50 Hz | 50 Hz | ±20 % |
| Resonant frequency in Y, unloaded | 800 Hz | 800 Hz | 800 Hz | 535 Hz | 535 Hz | 535 Hz | 300 Hz | 300 Hz | 300 Hz | 195 Hz | 195 Hz | 195 Hz | 105 Hz | 105 Hz | 105 Hz | 100 Hz | 100 Hz | ±20 % |
| Resonant frequency in Y, under load with 50 g | 395 Hz | 395 Hz | 395 Hz | 365 Hz | 365 Hz | 365 Hz | 215 Hz | 215 Hz | 215 Hz | 150 Hz | 150 Hz | 150 Hz | 85 Hz | 85 Hz | 85 Hz | 85 Hz | 85 Hz | ±20 % |
| Resonant frequency in Y, under load with 100 g | 300 Hz | 300 Hz | 300 Hz | 285 Hz | 285 Hz | 285 Hz | 175 Hz | 175 Hz | 175 Hz | 125 Hz | 125 Hz | 125 Hz | 75 Hz | 75 Hz | 75 Hz | 80 Hz | 80 Hz | ±20 % |
| Permissible push force in X | 10 N | 10 N | 10 N | 10 N | 10 N | 10 N | 10 N | 10 N | 10 N | 10 N | 10 N | 10 N | 10 N | 10 N | 10 N | 10 N | 10 N | max. |
| Permissible push force in Y | 10 N | 10 N | 10 N | 10 N | 10 N | 10 N | 10 N | 10 N | 10 N | 10 N | 10 N | 10 N | 10 N | 10 N | 10 N | 10 N | 10 N | max. |
| Permissible push force in Z | 10 N | 10 N | 10 N | 10 N | 10 N | 10 N | 10 N | 10 N | 10 N | 10 N | 10 N | 10 N | 10 N | 10 N | 10 N | 10 N | 10 N | max. |
| Permissible pull force in X | 5 N | 5 N | 5 N | 8 N | 8 N | 8 N | 8 N | 8 N | 8 N | 8 N | 8 N | 8 N | 8 N | 8 N | 8 N | 8 N | 8 N | max. |
| Permissible pull force in Y | 5 N | 5 N | 5 N | 8 N | 8 N | 8 N | 8 N | 8 N | 8 N | 8 N | 8 N | 8 N | 8 N | 8 N | 8 N | 8 N | 8 N | max. |
| Permissible pull force in Z | 10 N | 10 N | 10 N | 10 N | 10 N | 10 N | 10 N | 10 N | 10 N | 10 N | 10 N | 10 N | 10 N | 10 N | 10 N | 10 N | 10 N | max. |
| Guide | Flexure guide with lever amplification | Flexure guide with lever amplification | Flexure guide with lever amplification | Flexure guide with lever amplification | Flexure guide with lever amplification | Flexure guide with lever amplification | Flexure guide with lever amplification | Flexure guide with lever amplification | Flexure guide with lever amplification | Flexure guide with lever amplification | Flexure guide with lever amplification | Flexure guide with lever amplification | Flexure guide with lever amplification | Flexure guide with lever amplification | Flexure guide with lever amplification | Flexure guide with lever amplification | Flexure guide with lever amplification | |
| Overall mass | 195 g | 195 g | 195 g | 295 g | 295 g | 295 g | 348 g | 348 g | 348 g | 430 g | 430 g | 430 g | 700 g | 700 g | 700 g | 1370 g | 1370 g | |
| Material | Aluminum | Aluminum | Aluminum | Aluminum | Aluminum | Aluminum | Aluminum | Aluminum | Aluminum | Aluminum | Aluminum | Aluminum | Aluminum | Aluminum | Aluminum | Aluminum | Aluminum | |
| Miscellaneous | P-620.20L | P-620.2CD | P-620.2CL | P-621.20L | P-621.2CD | P-621.2CL | P-622.20L | P-622.2CD | P-622.2CL | P-625.20L | P-625.2CD | P-625.2CL | P-628.20L | P-628.2CD | P-628.2CL | P-629.2CD | P-629.2CL | Tolerance |
| Operating temperature range | -20 to 150 °C | -20 to 80 °C | -20 to 80 °C | -20 to 150 °C | -20 to 80 °C | -20 to 80 °C | -20 to 150 °C | -20 to 80 °C | -20 to 80 °C | -20 to 150 °C | -20 to 80 °C | -20 to 80 °C | -20 to 150 °C | -20 to 80 °C | -20 to 80 °C | -20 to 80 °C | -20 to 80 °C | |
| Connector | LEMO LVPZT | 2 × D-sub 7W2 (m) | LEMO LVPZT | LEMO LVPZT | 2 × D-sub 7W2 (m) | LEMO LVPZT | LEMO LVPZT | 2 × D-sub 7W2 (m) | LEMO LVPZT | LEMO LVPZT | 2 × D-sub 7W2 (m) | LEMO LVPZT | LEMO LVPZT | 2 × D-sub 7W2 (m) | LEMO LVPZT | 2 × D-sub 7W2 (m) | LEMO LVPZT | |
| Cable length | 1.5 m | 1.5 m | 1.5 m | 1.5 m | 1.5 m | 1.5 m | 1.5 m | 1.5 m | 1.5 m | 1.5 m | 1.5 m | 1.5 m | 1.5 m | 1.5 m | 1.5 m | 1.5 m | 1.5 m | |
| Recommended controllers / drivers | E-503, E-505, E-663 | E-503, E-505, E-621, E-712, E-727 | E-503, E-505, E-621, E-712, E-727 | E-503, E-505, E-663 | E-503, E-505, E-621, E-712, E-727 | E-503, E-505, E-621, E-712, E-727 | E-503, E-505, E-663 | E-503, E-505, E-621, E-712, E-727 | E-503, E-505, E-621, E-712, E-727 | E-503, E-505, E-663 | E-503, E-505, E-621, E-712, E-727 | E-503, E-505, E-621, E-712, E-727 | E-503, E-505, E-663 | E-503, E-505, E-621, E-712, E-727 | E-503, E-505, E-621, E-712, E-727 | E-503, E-505, E-621, E-712, E-727 | E-503, E-505, E-621, E-712, E-727 | |
| Sensor connector | LEMO for capacitive sensors | LEMO for capacitive sensors | LEMO for capacitive sensors | LEMO for capacitive sensors | LEMO for capacitive sensors | LEMO for capacitive sensors |
P-628.2CD / P-628.2CL: Linearity error in X, Y (typ.) 0.03 % with digital controller. With analog controllers 0.05 %.
P-629.2CD / P-629.2CL: Linearity error in X, Y (typ.) 0.03 % with digital controller. With analog controllers 0.08 %.
X: lower axis; Y: upper axis.
The resolution of the system is limited only by the noise of the amplifier and the measuring technology because PI piezo nanopositioning systems are free of friction.
All specifications based on room temperature (22 °C ±3 °C).
Downloads
Product Note
Product Change Notification Piezo Actuator Driven Products
Datasheet
Documentation
User Manual PZ234
P-620, P-621, P-622, P-625, P-628, P-629 PIHera Piezo Stages with Capacitive Sensors
3D Models
P-62x.2 STEP
Quote / Order
Ask for a free quote on quantities required, prices, and lead times or describe your desired modification.
PIHera precision XY nanopositioner, 50 µm × 50 µm, direct position measuring, capacitive sensors, D-sub connectors
PIHera precision XY nanopositioner, 50 µm × 50 µm, direct position measuring, capacitive sensors, LEMO connectors
PIHera precision XY nanopositioner, 120 µm × 120 µm, without sensors, LEMO connectors
PIHera precision XY nanopositioner, 100 µm × 100 µm, direct position measuring, capacitive sensors, D-sub connectors
PIHera precision XY nanopositioner, 100 µm × 100 µm, direct position measuring, capacitive sensors, LEMO connectors
PIHera precision XY nanopositioner, 300 µm × 300 µm, without sensors, LEMO connectors
PIHera precision XY nanopositioner, 250 µm × 250 µm, direct position measuring, capacitive sensors, D-sub connectors
PIHera precision XY nanopositioner, 250 µm × 250 µm, direct position measuring, capacitive sensors, LEMO connectors
PIHera precision XY nanopositioner, 600 µm × 600 µm, without sensors, LEMO connectors
PIHera precision XY nanopositioner, 500 µm × 500 µm, direct position measuring, capacitive sensors, D-sub connectors
PIHera precision XY nanopositioner, 500 µm × 500 µm, direct position measuring, capacitive sensors, LEMO connectors
PIHera precision XY nanopositioner, 1000 µm × 1000 µm, without sensors, LEMO connectors
PIHera precision XY nanopositioner, 800 µm × 800 µm, direct position measuring, capacitive sensors, D-sub connectors
PIHera precision XY nanopositioner, 800 µm × 800 µm, direct position measuring, capacitive sensors, LEMO connectors
PIHera precision XY nanopositioner, 1500 µm × 1500 µm, direct position measuring, capacitive sensors, D-sub connectors
PIHera precision XY nanopositioner, 1500 µm × 1500 µm, direct position measuring, capacitive sensors, LEMO connectors
How to Get a Quote

Ask an engineer!
Quickly receive an answer to your question by email or phone from a local PI sales engineer.
Technology

PICMA® Technology
Highly reliable and extended lifetime through the patented manufacturing process for multilayer actuators.

Vacuum
Careful handling, adequate premises: PI does not only have the necessary equipment for the qualification of materials, components and final products, but also has many years of experience with regard to HV und UHV positioning systems.

Flexure Guiding Systems
Flexure guides from PI have proven their worth in nanopositioning. They guide the piezo actuator and ensure a straight motion without tilting or lateral offset.

Capacitive Sensors
Capacitive sensors are the metrology system of choice for the most demanding nanopositioning applications.























