P-010.xxH – P-025.xxH PICA Thru Ring Actuators
High-Load Piezo Actuators with Inner Hole
- High load capacity
- Extreme reliability: >109 cycles
- Microsecond response
- Subnanometer resolution
- Large choice of designs
Stacked piezo linear actuator
Operating voltage 0 to 1000 V. Long lifetime without derating. High specific displacement. A mechanical preload can be attached via inner holes
Available options
- SGS sensors for positional stability
- PZT ceramic material
- Operating voltage range, displacement, layer thickness
- Load capacity, force generation
- Geometric shapes: round, rectangular, various cross sections
- Mechanical interface: flat
- Integrated piezoelectric detector layers
- Special high / low temperature versions
- UHV-compatible versions up to 10-9 hPa
- Non-magnetic versions
- Extra-tight length tolerances
Fields of application
Industry and research. For optics, precision mechanics and machining, laser tuning
Specifications
Displacement | Diameter OD | Diameter ID | Length L | Blocking force | Stiffness | Electrical capacitance | Resonant frequency | |
|---|---|---|---|---|---|---|---|---|
µm | mm | mm | mm | N | N/µm | nF | kHz | |
P-010.00H | 5 | 10 | 5 | 7 | 1200 | 230 | 15 | 144 |
P-010.10H | 15 | 10 | 5 | 15 | 1700 | 110 | 40 | 67 |
P-010.20H | 30 | 10 | 5 | 27 | 1800 | 59 | 82 | 39 |
P-010.40H | 60 | 10 | 5 | 54 | 1800 | 29 | 180 | 21 |
P-016.00H | 5 | 16 | 8 | 7 | 2900 | 580 | 42 | 144 |
P-016.10H | 15 | 16 | 8 | 15 | 4100 | 270 | 120 | 67 |
P-016.20H | 30 | 16 | 8 | 27 | 4500 | 150 | 230 | 39 |
P-016.40H | 60 | 16 | 8 | 52 | 4700 | 78 | 490 | 21 |
P-025.10H | 15 | 25 | 16 | 16 | 7400 | 490 | 220 | 63 |
P-025.20H | 30 | 25 | 16 | 27 | 8700 | 290 | 430 | 39 |
P-025.40H | 60 | 25 | 16 | 51 | 9000 | 150 | 920 | 22 |
P-025.50H | 80 | 25 | 16 | 66 | 9600 | 120 | 1200 | 17 |
Travel range: at 0 to 1000 V, tolerance -10 / 20 %.
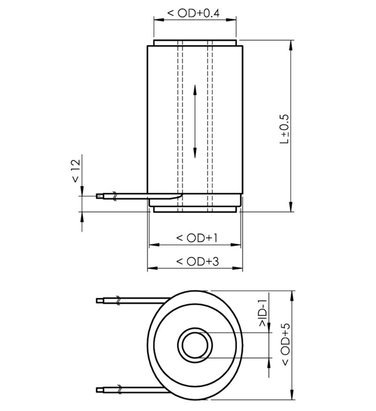
Length L: Tolerance ±0.5 mm.
Blocking force: at 0 to 1000 V.
Electrical capacitance: Tolerance ±20 %, measured at 1 Vₚₚ, 1 kHz, RT.
Resonant frequency at 1 Vₚₚ, unloaded, unclamped. The value is halved for unilateral clamping.
Piezo ceramic type: PIC151.
Standard connections: FEP- insulated wire leads, 100 mm, AWG 24, Ø 1.15 mm.
Operating voltage: 0 to 1000 V.
Operating temperature range: -20 to 85 °C.
Standard mechanical interfaces: ceramic rings (passive PZT).
Outer surface: polyolefin shrink sleeving, black (outside); epoxy resin (inside).
Recommended preload for dynamic operation: 15 MPa.
Maximum preload for constant force: 30 MPa.
Custom designs or different specifications on request.
Downloads
Documentation
User Manual PZ138
PICA Piezo Actuators: P-007, P-010, P-016, P-025, P-035, P-045, P-050, P-056 PICA Stack/Power/Thru Customized Products
Quote / Order
Ask for a free quote on quantities required, prices, and lead times or describe your desired modification.
Custom designs or different specifications on request.


















